• 什么是边缘计算?

    边缘计算和我们常说的云计算有什么不同? 还有雾计算,也是新概念。 国内边缘计算谁最厉害?

    2018-07-10 310

  • ST25RU3993 超高频UHF RFID读写模组通讯协议

    Protocol descriptionThe following description gives an overview of the ams stream protocol and how the data of stream packets is forwarded to the commands() function. The protocol can be exe

    2018-07-04 907

  • ST25RU3993 通讯协议的协议命令ID(protocol command ID)列表

    ST25RU3993 通讯协议的协议命令id列表,如下列例子,对应指令的第四位“protocol”中对应的索引ID。Example for the config TX RX command, handled by callConfigTxRx():Request from host (Reader Suite):Byte012..345..67..89..12ContentTIDStatuspay

    2018-07-04 316

  • Arduino MEGA2560烧写Bootloader方法

    1)固件程序在你arduino软件的安装文件夹里。目录是D:\arduino-1.6.5\hardware\arduino\avr\firmwares\atmegaxxu22)搜索你电脑里的avrdude.exe,avrdude.conf两个文件,将它复制到你固件所在文件夹atmegaxxu2中。3)通过usbtinyisp将uno与电脑相连。首先烧写的是ATMEGA16U2的Boot

    2018-06-26 1871

  • 基于超高频UHF RFID国家标准GB/T 29768-2013的识读模块设计

      摘要:该文设计了一款依据我国自主知识产权的超高频RFID国家标准(GB/T 29768-2013)的识读模块。对模块的工作流程以及发射链路及接收链路中核心控制单元进行了技术分析,并提供了设备选型的多种方案及比较。经过分析比较,提出了一种考虑收发隔离度、发射链路匹配、干扰噪声、解调后的直流分量抑制等关键因素的优化方案。 中国论文网 /8/view-7221142.htm  关键词:RFID;G

    2018-06-25 407

  • 两种UHF RFID标准标签数据结构差异对读写器设计的影响

    两种UHF RFID标准标签数据结构差异对读写器设计的影响  摘 要:为了设计读取GB/T 29768-2013标准标签的读写器,对ISO 18000-6C和GB/T 29768-2013两种标准的标签数据结构进行了对比分析,给出了影响读写器设计性能的若干问题以及有针对性的FPGA解决办法。   关键词:UHF;RFID;EPC;超高频读写器;GB/T 29768-2013  

    2018-06-25 645

  • 自主标准GB29768介绍以及与ISO18000-6C比较

    对比GB29768和国际标准ISO 18000-6C,分析了GB29768针对我国国情的协议改进和优势,并着重介绍了RFID 标签的安全协议。在此基础上,详细介绍了一款基于自主协议的国产自主超高频射频识别标签芯片,并给出了设计这款芯片的关键技术。

    2018-06-25 999

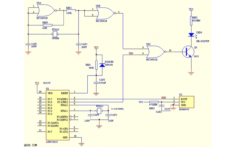
  • 红外抄表原理

    本文介绍的电路,原是在分时电度表中,用于校时和红外抄表的实际电路。 它既简单又实用。利用单片机异步通讯口,用红外光发射管sir-563和红外光接收ic管rpm6938来实现接受和发送点信号的功能,可以实现半双工双向通讯功能。通讯距离约10米,异步通讯波特率1200 .  电路原理:红外发送电路由MC14001B MOS或非门38khz振荡器,串口发送控制门电路和红外光发射管sir-563驱动输出电

    2018-05-08 449